一、用途
STJC-3型避雷器监测器是串联在避雷器下面,既可用来记录避雷器动作次数,同时又可以通过毫安表监测避雷器在运行电压下的泄露电流的一种装置。用于220KV及以下等级的避雷器,使用地点的环境条件与相连的避雷器相同,它不适于有严重污秽和有剧烈震动的地方;采用氧化锌阀片,电气性能有较大提高。
二、使用条件
1.适用于户内或户外。
2.环境温度(-40~+40)℃。
3.海拔高度不超过2000m。
4.电源频率(48~62)Hz。
5.无剧烈震动场所。
三、结构和特性
1.电气原理
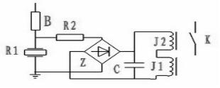
避雷器监测器主要有取样阀片、硅桥式整流器、高压电容器、电磁计数器、毫安表等元件组成。它是利用通过避雷器的放电电流,在阀片(非线性电阻)上产生的电压,经硅桥式整流对电容器充电,向电磁计数器放电,每放一次记录一次,来实现记录避雷器的动作次数。
图中:B-避雷器,C-电容器,J1-电磁计数器,J2继电器线圈,K输出触点,Z-整流桥,R1-取样阀片,R2降压限流电阻。计数器电原理附图一

2.本产品的外壳采用优质不锈钢外壳,具有良好的防腐性;密封性能良好,不受外界环境影响。内部元件有良好的抗老化性能,可长期适用于电力系统中运行。
STJC-3型避雷器监测器采用数字式显示,该显示具有指示清晰,便于观察等优点;计数循环次数为0~999每1000次一个循环,这有利于将短期内通过避雷器的雷电次数较完整的记录下来。
四、主要技术性能
产品执行标准:JB/T 10492-2004《避雷器监测器》。其主要技术性能如下表:
型 号 | 标 称 放 电 电 流 (kA) | 残 压 不大于 (kV) | 2ms方波 电 流
| 4/10μs大电流冲击 (kA) | 量 程 及误差 (mA) |
STJC-3 | 10 | 2.5 | 800 | 100 | 3±5% |
五、验收、安装
1.验收:(1) 产品接收时,打开包装箱、检查随机文件是否齐全。
(2) 按装箱单逐项检查配件是否齐全,同时检查产品外表是否有碰伤痕迹,绝缘子是否有裂纹、掉块现象。
2.安装时监测器面板所在平面与水平面之间的倾角应小于85°,以免积水影响观测。用M10螺钉将金属外壳底座固定在金属支架上,并通过接地母线接地(监测器底座也可作为接地母线),另一端通过绝缘子顶部接出电极,用导线(或铝带)连接到避雷器的低压端。务须安装牢固、接触可靠。(安装尺寸见附图)
六、试验方法
用户接收产品时,可用以下方法对产品进行试验。
1.动作性能试验:将一只耐压500V以上,容量5微法以上的电容器接在500V摇表上,用每分钟90~120转的转速摇动摇表,对电容器进行充电,当电容器上的电压用万用表监测达到300V时,立即断开与摇表上连接的电容器,用电容器对计数器进行瞬间放电,放电计数器应计数一次,连续进行10次,均应可靠动作。
2. 放电计数器的测试,亦可使用本厂生产的专用试验仪进行。详见《STJCT2000型避雷器监测器试验仪说明书》。
七、注意事项
1. 避雷器监测器投入运行后,值班人员应巡回监视并定期抄录监测器的读数,以便及时掌握避雷器通过雷电流的次数。
2. 注意勿使绝缘子过度受力以免破坏密封,同时用户不得随意拆开避雷器监测器。

