一、概述
本系列零序电流互感器适用于户内、额定频率50Hz或60Hz、额定电压35KV及以下的小
接地电流系统中供三相电缆接地保护用。也可与继电器配套使用。
二、型号含义

三、结构简介
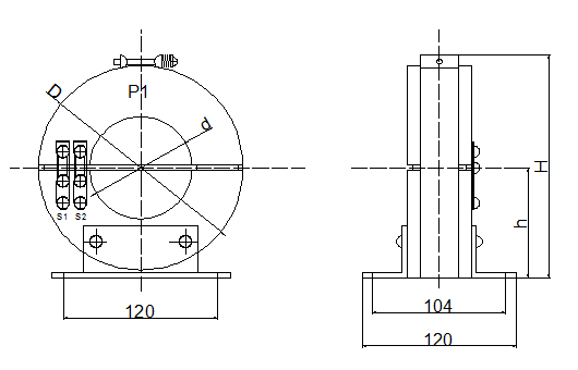
本系列电流互感器为开合式、环氧树脂浇注结构,安装时可将互感器分位两半,装好电缆合
并为一体。安装极为方便。
四、技术参数
1、本系列零序电流互感器一次主绝缘由电缆保证,产品仅考核二次绕组的绝缘性能。二次
绕组对地能承受3KV工频耐压。
2、额定电流比、准确级、额定输出见表一。
3、与继电器配套使用时,本型互感器的一次零序电流满足表二的要求:
表1
额定电流比(A) | 准确级 | 额定输出(VA) |
60 - 75/1 |
10P10 | 1 |
100/1 | 1.5 | |
150/1 | 2.5 | |
200/1 | 3.75 | |
300/1~600/1 | 5 | |
150 –200/5 | 2.5 | |
300 –400/5 | 5 | |
500/5 | 7.5 | |
600/5 | 10 |
表2
继电器型号 | 继电器线圈 连接方式 | 继电器刻度值 | 一次零序电流(A) | 额定电流比 (A) |
DD-11/60 | 串联 | 15X1 --30X1 |
2-5 |
60/1 |
并联 | 15X2 --30X2 | |||
DD-1/60 | 串联 | 15X1 --30X1 |
2-6 | |
并联 | 15X2 --30X2 |
五、外形及安装尺寸


