
一、概述
在中压领域里,由于真空开关设备(真空断路器、真空接触器、真空负荷开关等)其灭弧能力特别强,因此在开断电动机、变压器、电抗器、电容器等负载时容易引起截流过电压、多次重燃过电压及三相断开时产生的操作过电压,其操作过电压的幅值可以使电机等设备绝缘击穿、相间导体闪络,引起事故扩大,造成不应有的损失。
随着电力系统稳定安全供电重要性的增强,对提高系统可靠性和安全性要求愈加严格。而操作过电压危害极大,在很大程度上影响着系统的稳定性、安全性和可靠性。据广东电力刊登的“真空断路器投切并联电抗器试验研究”一文现场试验提供的数据:断路器分闸时,在接入氧化锌避雷器时的过电压为3.48倍,而接入特制电容器时最大过电压为1.87倍,特制电容器不仅降低了过电压幅值,还降低了过电压的频率。可见特制电容器具有明显的限制过电压的功能。因此我司针对性研发生产出ST-SFK瞬反馈深度限压装置,该产品采用特制电容器有效抑制操作过电压的瞬间振荡和高频电流,使过电压的波形变缓,陡度和幅值降低,配合专用阻尼器,使高频振荡迅速衰减,对各种负荷设备都有很好的保护效果,该产品可有效限制各种系统过电压,提高系统的稳定运行。
二、适用范围
ST-SFK瞬反馈深度限压装置用于发电、变电及用电企业的3~40.5kV系统,对感性负荷的保护效果尤为显著。
三、产品功能
1、真空断路器在截流、重燃或三相断开时会产生操作过电压,其操作过电压幅值可以导致电机、变压器、电缆等设备绝缘击穿、相间导体闪络事故的发生,采用避雷器或过电压保护器只对产生过电压幅值进行限制,对限制电压上升率没有效果,对于感性负载的保护比较勉强。
ST-SFK瞬反馈深度限压装置采用特制电容器可有效抑制真空开关开断产生的操作过电压瞬间震荡和高频电流,使过电压的波形变缓,陡度和幅值降低,在电阻的阻尼作用下使高频震荡迅速衰减,避免绕组性负载设备因操作过电压而损坏,内置大容量过电压吸收器,能够大幅度降低残压值,保护系统设备的安全运行。
2、特制多功能监测保护装置,具有过电压检测功能,采样率64K,具有放电电压、放电电流故障录波功能,可对系统发生的各种过电压进行监测,可设置过电压幅值具有三段式过电压报警功能。
3、具有全电流、阻性电流分析功能。绘制过电压保护器泄露电流变化曲线图,记录泄露电流变化数值及动作放电次数。
4、具有Ⅱ级电能质量监测分析功能(选配)。
5、绝缘监察功能,对PT断线、失电、低电压、谐振、接地等故障具有报警功能。
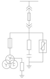
四、设计图标

五、型号定义

系统电压(kV):3、6、10、13.8、15.75、20、35
额定电容(uF): 0.1、0.2、0.25、0.5
六、工作环境
环境温度:-20℃~+45℃
空气相对湿度 ≤95%。
海拔高度:<1000m (高原型需特别注明)
安装运行场所应无腐蚀性气体及蒸汽,无导电性或爆炸性尘埃和剧烈的机械震动。

